Postingan

Menampilkan postingan dari Oktober, 2019

Universal Head Unit Wiring Diagram

Gambar
Car Stereo Head Unit Wire Harness

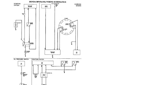
Wiring Diagram Honda Outboard

Gambar
I Am Looking For A Wiring Diagram For A Honda 15hp Outboard

Wiring Diagram Honda Jazz 2012

Gambar
Wrg 3991 Honda Jazz 2012 Wiring Diagram

Wiring Diagram Honda Pcx

Gambar
Totally free honda wiring diagrams. Honda pcx150 wiring diagram previewjpg. Electric Wiring System Diagram Honda New Pcx 150 2018 Ww150hv j 2018 1.

Pioneer Head Unit Wiring Harness Diagram

Gambar
You may be a specialist that wants to try to find referrals or fix existing problems. Or you are a student or maybe even you that simply would like to know about pioneer car stereo wiring harness diagram. Wiring Diagram Car Radio Pioneer Car Stereo Car Audio Searching for info regarding pioneer car stereo wiring harness diagram.